全国咨询热线:
022-65667258




生产执行标准:USA Federal Specification RR-C-271F
材质:优质合金钢锻造。
产品测试:制造检测拉力为额定载荷的2倍;对每批产品抽样进行破断测试。
安全系数:6倍额定工作载荷。
备注:因规格尺寸繁多,故线上销售的规格尺寸有限,若采购时,所需尺寸和吨位不在线上橱窗内,可单独咨询客服人员!
服务热线:022-65667258
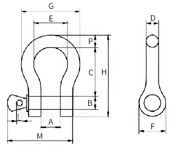
| 尺寸图 | 公称尺寸 (in.) | 工作负荷极限 (t) | 各部分尺寸 (mm) | ||||||||
| A | B | C | D | E | F | G | H | P | |||
![]() | 3/16 | 0.33 | 9.65 | 6.35 | 22.4 | 4.83 | 15.24 | 14.2 | 24.9 | 37.3 | 4.83 |
| 1/4 | 0.5 | 11.9 | 7.87 | 28.7 | 6.35 | 19.81 | 15.5 | 32.5 | 46.7 | 6.35 | |
| 5/16 | 0.75 | 13.5 | 9.65 | 31.0 | 7.87 | 21.34 | 19.1 | 37.3 | 53.1 | 7.87 | |
| 3/8 | 1 | 16.8 | 11.2 | 36.6 | 9.65 | 26.2 | 23.1 | 45.2 | 63.2 | 9.65 | |
| 7/16 | 1.5 | 19.1 | 12.7 | 42.9 | 11.2 | 29.5 | 26.9 | 51.6 | 73.9 | 11.2 | |
| 1/2 | 2 | 20.6 | 16.0 | 47.8 | 12.7 | 33.3 | 30.2 | 58.7 | 83.3 | 12.7 | |
| 5/8 | 3.25 | 26.9 | 19.1 | 60.5 | 16.0 | 42.9 | 38.1 | 74.7 | 106 | 17.5 | |
| 3/4 | 4.75 | 31.8 | 22.4 | 71.4 | 19.1 | 50.8 | 46.0 | 88.9 | 126 | 20.6 | |
| 7/8 | 6.5 | 36.6 | 25.4 | 84.1 | 22.4 | 57.9 | 53.1 | 102 | 148 | 24.6 | |
| 1 | 8.5 | 42.9 | 29.2 | 95.3 | 25.4 | 68.3 | 60.5 | 119 | 167 | 26.9 | |
| 1-1/8 | 9.5 | 46.0 | 31.8 | 108.0 | 29.5 | 73.9 | 68.3 | 131 | 190 | 31.8 | |
| 1-1/4 | 12 | 51.6 | 35.1 | 119.1 | 32.8 | 82.6 | 76.2 | 146 | 210 | 35.1 | |
| 1-3/8 | 13.5 | 57.2 | 38.1 | 133.4 | 36.1 | 92.2 | 84.1 | 162 | 233 | 38.1 | |
| 1-1/2 | 17 | 60.5 | 41.4 | 146.1 | 39.1 | 98.6 | 92.2 | 175 | 254 | 41.1 | |
| 1-3/4 | 25 | 73.2 | 50.8 | 177.8 | 46.7 | 127 | 106 | 225 | 313 | 57.2 | |
| 2 | 35 | 82.6 | 57.2 | 196.9 | 52.8 | 146 | 122 | 253 | 347 | 61.0 | |
| 2-1/2 | 55 | 105 | 69.9 | 266.7 | 68.8 | 184 | 145 | 327 | 453 | 79.5 | |
1、使用吊环时,许用最大角度为120°,见下图1
2、禁止使用螺栓或金属棒代替销轴。
3、卸扣本体不应承受横向弯矩作用,即承载力应在卸扣本体平面内。见图3
4、请正确使用,严禁超载。
5、当卸扣与钢丝绳索具配套作为捆绑索具使用时,捆绑方法应如图2所示。

1、卸扣及销轴出现锈蚀或磨损大于标称尺寸的10%时,应报废。
2、卸扣任何部位出现肉眼可见裂纹、裂痕或探伤检查有缺陷时,应报废。
3、卸扣有明显变形,销轴不能转动时应报废。
加工过程
半成品
成品展示
产品包装
吊索具是一种广泛用于海洋工程、工业、建筑... 【详情+】
钢丝绳作为一种重要的起重工具,在使用中需... 【详情+】